Açıklama
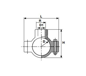
| D (mm) | R (mm) | Basınç | Çuval/Adet | d1 (mm) | L (mm) | H (mm) |
| 25 | 1/2” | 16 | 400 | 16 | 54 | 52 |
| 32 | 1/2” | 16 | 350 | 16 | 78 | 62 |
| 32 | 3/4” | 16 | 325 | 21 | 78 | 62 |
| 32 | 1” | 16 | 27 | 78 | 62 | |
| 40 | 1/2” | 16 | 225 | 16 | 80 | 68 |
| 40 | 3/4” | 16 | 225 | 21 | 80 | 68 |
| 40 | 1” | 16 | 250 | 27 | 80 | 68 |
| 50 | 1/2” | 16 | 200 | 16 | 84 | 81 |
| 50 | 3/4” | 16 | 190 | 21 | 84 | 81 |
| 50 | 1” | 16 | 170 | 27 | 84 | 81 |
| 50 | 1 1/4” | 16 | 40 | 35 | 84 | 81 |
| 50 | 1 1/2” | 16 | 30 | 42 | 98 | 93 |
| 63 | 1/2” | 16 | 120 | 16 | 98 | 93 |
| 63 | 3/4” | 16 | 120 | 21 | 98 | 93 |
| 63 | 1” | 16 | 120 | 27 | 98 | 93 |
| 63 | 1 1/4” | 16 | 120 | 35 | 98 | 93 |
| 63 | 1 1/2” | 16 | 120 | 42 | 98 | 93 |
| 75 | 1/2” | 16 | 80 | 16 | 117 | 102 |
| 75 | 3/4” | 16 | 80 | 21 | 117 | 104 |
| 75 | 1” | 16 | 80 | 27 | 117 | 107 |
| 75 | 1 1/4” | 16 | 80 | 35 | 117 | 109 |
| 75 | 1 1/2” | 16 | 80 | 42 | 117 | 109 |
| 75 | 2” | 16 | 80 | 53 | 117 | 111 |
| 90 | 1/2” | 16 | 60 | 16 | 128 | 116 |
| 90 | 3/4” | 16 | 60 | 21 | 128 | 118 |
| 90 | 1” | 16 | 60 | 27 | 128 | 121 |
| 90 | 1 1/4” | 16 | 60 | 35 | 128 | 123 |
| 90 | 1 1/2” | 16 | 60 | 42 | 128 | 123 |
| 90 | 2” | 16 | 60 | 53 | 128 | 126 |
| 110 | 1/2” | 16 | 50 | 15 | 146 | 150 |
| 110 | 3/4” | 16 | 50 | 20 | 146 | 150 |
| 110 | 1” | 16 | 50 | 26 | 146 | 150 |
| 110 | 1 1/4” | 16 | 50 | 35 | 146 | 150 |
| 110 | 1 1/2” | 16 | 50 | 41 | 146 | 150 |
| 110 | 2” | 16 | 50 | 51 | 146 | 150 |
| 125 | 1/2” | 16 | 40 | 15 | 166 | 169 |
| 125 | 3/4” | 16 | 40 | 20 | 166 | 169 |
| 125 | 1” | 16 | 40 | 26 | 166 | 169 |
| 125 | 1 1/4” | 16 | 40 | 35 | 166 | 169 |
| 125 | 1 1/2” | 16 | 40 | 41 | 166 | 169 |
| 125 | 2” | 16 | 40 | 50 | 166 | 169 |
| 140 | 1/2” | 16 | 25 | 18 | 178 | 191 |
| 140 | 3/4” | 16 | 25 | 24 | 178 | 191 |
| 140 | 1” | 16 | 25 | 30 | 178 | 191 |
| 140 | 1 1/4” | 16 | 25 | 38 | 178 | 191 |
| 140 | 1 1/2” | 16 | 25 | 45 | 178 | 191 |
| 140 | 2” | 16 | 25 | 50 | 178 | 191 |
| 160 | 1/2” | 16 | 21 | 18 | 216 | 215 |
| 160 | 3/4” | 16 | 21 | 24 | 216 | 215 |
| 160 | 1” | 16 | 21 | 30 | 216 | 215 |
| 160 | 1 1/4” | 16 | 21 | 38 | 216 | 215 |
| 160 | 1 1/2” | 16 | 21 | 45 | 216 | 215 |
| 160 | 2” | 16 | 21 | 50 | 216 | 215 |
| 200 | 1 1/2” | 16 | 28 | 45 | 262 | 245 |
| 200 | 2” | 16 | 28 | 50 | 262 | 245 |
Teknik Özellikler
Önemli tüm standartlara uygunluk ve geniş çaplarda bulunabilirlik özellikleriyle akıllı kaplin ilk tercihiniz olacak.
Kaplin sıkıştırma bağlantı elemanları her türlü polietilen PE 80, PE 100 ve PEX-a borulara uygundur. Bağlantı parçası kutusundan çıkarılır çıkarılmaz herhangi bir hazırlık yapmadan kuruluma hazırdır. Kaplin bağlantı parçalarının komple ürün yelpazesi içerisinde tüm dünyadaki en
katı düzenlemelere uygun onayların olduğu 16 barlık bir direnç bulunmaktadır.

































