Açıklama
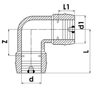
| Çap | Basınç | d1 | L | L1 | Z | Net Ağırlık (kg) |
| Size (mm) | Pressure(Bar) | (mm) | (mm) | (mm) | (mm) | Weight (kg) |
| 20 | PN 10-PN 16 | 31 | 44 | 34 | 10 | 0,042 |
| 25 | PN 10-PN 16 | 36 | 48 | 34 | 14 | 0,054 |
| 32 | PN 10-PN 16 | 45 | 53 | 35 | 18 | 0,070 |
| 40 | PN 10-PN 16 | 55 | 61 | 39 | 22 | 0,118 |
| 50 | PN 10-PN 16 | 67 | 70 | 42 | 28 | 0,172 |
| 63 | PN 10-PN 16 | 81 | 80 | 46 | 34 | 0,276 |
| 75 | PN 10-PN 16 | 95 | 100 | 61 | 39 | 0,475 |
| 90 | PN 10-PN 16 | 113 | 120 | 63 | 57 | 0,800 |
| 110 | PN 10-PN 16 | 137 | 143 | 80 | 63 | 1,345 |
| 125 | PN 10-PN 16 | 152 | 140 | 77 | 63 | 1,520 |
| 140 | PN 10 | 163 | 278 | 83 | 195 | 3,240 |
| PN 16 | 163 | 278 | 83 | 195 | 3,778 | |
| 160 | PN 10-PN 16 | 195 | 171 | 93 | 78 | 2,920 |
| 180 | PN 10-PN 16 | 222 | 152 | 105 | 47 | 5,620 |
| 200 | PN 10-PN 16 | 246 | 215 | 104 | 110 | 5,500 |
| 225 | PN 10-PN 16 | 276 | 245 | 120 | 135 | 9,750 |
| 250 | PN 10 | 302 | 412 | 122 | 290 | 15,570 |
| PN 16 | 302 | 412 | 122 | 290 | 17,960 | |
| 280 | PN 10 | 350 | 425 | 125 | 300 | 21,720 |
| PN 16 | 350 | 425 | 125 | 300 | 25,218 | |
| 315 | PN 10 | 380 | 468 | 133 | 335 | 29,415 |
| PN 16 | 380 | 468 | 133 | 335 | 34,256 | |
| 355 | PN 10 | 410 | 474 | 129 | 345 | 31,880 |
| PN 16 | 425 | 474 | 129 | 345 | 42,377 | |
| 400 | PN 10 | 460 | 501 | 131 | 370 | 41,005 |
| PN 16 | 490 | 501 | 131 | 370 | 57,605 | |
| 450 | PN 10 | 510 | 607 | 162 | 445 | 62,960 |
| PN 16 | 555 | 607 | 162 | 445 | 89,762 | |
| 500 | PN 10 | 570 | 660 | 175 | 485 | 84,180 |
| PN 16 | 615 | 660 | 175 | 485 | 117,516 | |
| 560 | PN 10 | 640 | 968 | 175 | 793 | 126,468 |
| PN 16 | 685 | 968 | 175 | 793 | 190,648 | |
| 630 | PN 10 | 720 | 1008 | 180 | 828 | 160,810 |
| PN 16 | 780 | 1008 | 180 | 828 | 258,234 |




























