El Kumandalı Kelebek Vana

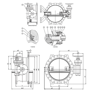
Vana gövde ve klapeleri minimum direnç gösterecek şekilde dizayn edilmiştir. Sızdırmazlık klape kenarında çevresel olarak baskı çemberi ile tespit edilen t kesitli sızdırmazlık ringi ile sağlanmaktadır. Klapenin kapalı pozisyonda sızdırmazlık ringi konik işlenmiş gövde sitine bastığından her iki yönde kesin sızdırmazlık sağlanır. Sızdırmazlık ringi klapenin sökülmesine gerek kalmadan kolayca değiştirlebilmektedir.


Açıklama

Sit yüzeyi sert Krom veya AISI 316 paslanmaz çelik kaynak dolgu olarak imal edildiğinden sit yüzeyi aşınmaya ve korozyona dirençlidir. Kelebek vanalarımız çift eksantrik olarak imal edilmektedir. Birinci eksantriğin amacı vananın açılması sırasında kauçuk sızdırmazlık ringinin üzerindeki basıncın azaltılması, aşındırıcı etkinin ortadan kalkması ve sızdırmazlık ringi ile gövde siti arasında kesintisiz bir temasın elde edilmesi sağlanmaktadır. Vananın açılma işlemi sırasında kauçuk sızdırmazlık ringi gövde sit yüzeyinden ikinci eksantriğin yardımı ile kolaylıkla ayrılır. Vana içersinde geçiş kesitini artıran çift parçalı mil tasarımı bulunmaktadır. Mil sızdırmazlığı ise bronz ve delrinden imal edilen kendinden yağlamalı burçların üzerine yapılan O-ring sistemi ile vanaların bakım gerektirmeden daha uzun ömürlü olmasını sağlamaktadır. Dişli kutuları kelebek vanalar tarafından gerek duyulan çeyrek tur (90o) haraketi sağlar. Dişli kutuları kelebek vanaların tek taraftan etkiyen anma basıncı altında bir kişi tarafından el ile volanı çevirerek açılmasını sağlayacak şekilde dizayn edilmiştir. Kilitlenebilir tipte olup, akış koşullarından klape üzerine etkiyen kuvvetlerin klapeyi döndürmesine olanak vermez. Dişli kutusu çıkış flanşları her türlü elektrikli aktüatörün montajına uygun olarak imal edilmektedir. Dizayn: TS EN 593 uygun olarak üretilmektedir. Bağlantı boyu: TS EN 558-1 Flanş bağlantıları: EN 1092-2; ISO 7005-2